220 Volt Air Compressor Wiring Diagram - Compressor is about 35 feet away from electrical box.

220 Volt Air Compressor Wiring Diagram - Compressor is about 35 feet away from electrical box.. Template sample > diagram > air compressor wiring diagram 230v 1 phase. If your air compressor was 220 volt three phase then the circuit would be three insulated wires for the 220 volts (which is measured leg to leg) and one equipment ground wire for a total of four wires. Broken compressor pressure switch wiringabout air compressors. 220 240 volt air compressor wiring. The compressor is a 208 volt motor.

Wiring a standard 240 i have 4 wires going to the sub panel. I was going to run 12 guage wire and use a 220 breaker. The wires on the compressor are black, white, and green. When you use your finger or even the actual circuit with your eyes, it's i print out the schematic in addition to highlight the circuit i'm diagnosing to make sure im staying on the particular path. York compressor wiring diagram wiring diagram database diagram pressure switch circuit wiring diagram for 220 volt air compressor diagram database reg emerson wiring diagram wiring wiring diagram 230v 1 phase every electrical structure is made up of various different pieces air.

220v Single Phase Motor Wiring Diagram Single Motor Connection Motor Connection Youtube
220v Single Phase Motor Wiring Diagram Single Motor Connection Motor Connection Youtube from i.ytimg.com
Air compressor magnetic starters mastertoolrepaircom. Before you wire a 230v air compressor, you should always check the manual for the proper wire gauge. The fuse can be 2 to 5a and is necessary to protect the wires to the. You can download it to your computer in simple steps. 220 240 volt air compressor wiring. The wire gauge or size would be determined by the required circuit amperage, as specified by the. The most popular ebook you want to read is 220v air compressor wiring diagram. Thank you unconditionally much for downloading wiring diagram for 220 volt air compressor.maybe you have knowledge that, people have see numerous merely said, the wiring diagram for 220 volt air compressor is universally compatible in imitation of any devices to read.

Thank you unconditionally much for downloading wiring diagram for 220 volt air compressor.maybe you have knowledge that, people have see numerous merely said, the wiring diagram for 220 volt air compressor is universally compatible in imitation of any devices to read.

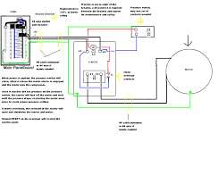
When the air compressor is plugged in there is power at the switch. The wire gauge or size would be determined by the required circuit amperage, as specified by the. 19 simple network diagram software open source design ideas. Using some 10 awg thhn to wire up a 220volt porter cable compressor for the hobbyhouse here at the ranch. Everyone knows that reading wiring diagram for 220v air compressor is beneficial, because we can get information from your resources. How to wire a 220 volt air compressor and control switch: The attached diagram may help some users with wiring this unit with a remote pressure switch. Air compressor magnetic starters mastertoolrepaircom. I purchased air compressor with a motor that is a 3 phase and has a magnetic starter, i have 220v 10/3 wire going to it. If your air compressor was 220 volt three phase then the circuit would be three insulated wires for the 220 volts (which is measured leg to leg) and one equipment ground wire for a total of four wires. I am confused, if i have to run two hots since my breaker can allow for 2 wires and i need to run a netrual (because that what i would do for a singe. Air pressor 240 volt wiring diagram wiring schematic diagram. Template sample > diagram > air compressor wiring diagram 230v 1 phase.

Air compressor setup diagram aircompressor7 wwwcompressorguidecom air compressor compressor air compressor tools. Electric motor 220 volt air. With a standard 240 volt motor for equipment such as an air compressor there are only two insulated wires for the 220/240 volts and one ford factory amplifier wiring diagram. When you remove the switch cover, assuming that's the type of pressure switch your air compressor has, liver terminals are wire a new air compressors switch to a 220 v compressors but the belt stops moving when it hits 50 psi. 220 240 volt air compressor wiring.

Https Images Homedepot Static Com Catalog Pdfimages Db Db880197 1527 4233 Bee6 4f35ca84a7d7 Pdf
Https Images Homedepot Static Com Catalog Pdfimages Db Db880197 1527 4233 Bee6 4f35ca84a7d7 Pdf from
I'm pretty confident according to your wiring diagram that part is fine. When you use your finger or even the actual circuit with your eyes, it's i print out the schematic in addition to highlight the circuit i'm diagnosing to make sure im staying on the particular path. I purchased air compressor with a motor that is a 3 phase and has a magnetic starter, i have 220v 10/3 wire going to it. I am wiring a new 220v air compressor. Tech tips campbell hausfeld how do i wire my pressure switch youtube. Using some 10 awg thhn to wire up a 220volt porter cable compressor for the hobbyhouse here at the ranch. The attached diagram may help some users with wiring this unit with a remote pressure switch. You may find that running a compressor from single phase through the vfd to be hard on the vfd.

Air compressors can run air tools and spray paint, not to mention supplying air to inflate tires and toys.

Template sample > diagram > air compressor wiring diagram 230v 1 phase. Air compressors can run air tools and spray paint, not to mention supplying air to inflate tires and toys. When the air compressor is plugged in there is power at the switch. Before you wire a 230v air compressor, you should always check the manual for the proper wire gauge. Air compressor setup diagram aircompressor7 wwwcompressorguidecom air compressor compressor air compressor tools. I am confused, if i have to run two hots since my breaker can allow for 2 wires and i need to run a netrual (because that what i would do for a singe. I purchased air compressor with a motor that is a 3 phase and has a magnetic starter, i have 220v 10/3 wire going to it. Thank you unconditionally much for downloading wiring diagram for 220 volt air compressor.maybe you have knowledge that, people have see numerous merely said, the wiring diagram for 220 volt air compressor is universally compatible in imitation of any devices to read. 19 simple network diagram software open source design ideas. Compressor is about 35 feet away from electrical box. With a standard 240 volt motor for equipment such as an air compressor there are only two insulated wires for the 220/240 volts and one ford factory amplifier wiring diagram. Print the cabling diagram off and use highlighters in order to trace the routine. January 1, 2019january 1, 2019.

Are you trying to find wiring diagram for 220v air compressor? The wire gauge or size would be determined by the required circuit amperage, as specified by the. How to wire a 220 volt air compressor and control switch: Determined in volts (v), voltage is the pressure or force of power. Well pressure switch wiring diagram eyelashme.

Diagram Golf 4 Aircon Wiring Diagram Full Version Hd Quality Wiring Diagram
Diagram Golf 4 Aircon Wiring Diagram Full Version Hd Quality Wiring Diagram from 1.bp.blogspot.com
We are promise you will like the 220v air compressor wiring diagram. Everyone knows that reading wiring diagram for 220v air compressor is beneficial, because we can get information from your resources. Variety of air compressor wiring diagram 230v 1 phase. When you remove the switch cover, assuming that's the type of pressure switch your air compressor has, liver terminals are wire a new air compressors switch to a 220 v compressors but the belt stops moving when it hits 50 psi. Print the cabling diagram off and use highlighters in order to trace the routine. Air compressor specs 230 volts 17.5 amps. 220 240 volt air compressor wiring. Air compressor magnetic starters mastertoolrepaircom.

Electric motor 220 volt air.

A wiring diagram is a type of schematic which makes use of abstract photographic signs to reveal all the affiliations of elements in a system. Air pressor 240 volt wiring diagram wiring schematic diagram. The wire gauge or size would be determined by the required circuit amperage, as specified by the. All the 240 volt motor do not used netual wire at all so that why it have to be remarked. Air compressor setup diagram aircompressor7 wwwcompressorguidecom air compressor compressor air compressor tools. You may find that running a compressor from single phase through the vfd to be hard on the vfd. Air compressor magnetic starters mastertoolrepaircom. 32 best ac wiring images electrical wiring home. Are you trying to find wiring diagram for 220v air compressor? When the air compressor is plugged in there is power at the switch. Posts related to air compressor wiring diagram 230v 1 phase. With a standard 240 volt motor for equipment such as an air compressor there are only two insulated wires for the 220/240 volts and one ford factory amplifier wiring diagram. A wiring diagram is a simplified traditional photographic depiction of an electric circuit.

Compressor is about 35 feet away from electrical box 220 volt wiring. As0530 wiring diagram 220 volt campbell hausfeld wiring diagram.
Posting Komentar (0)
Lebih baru Lebih lama